
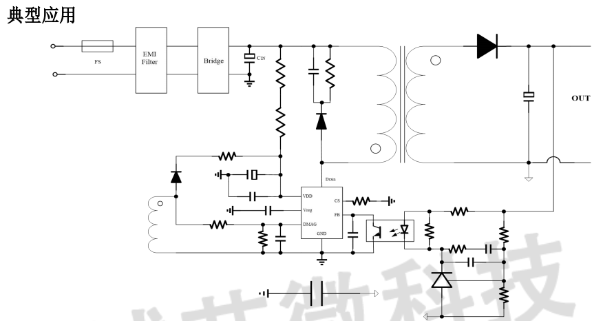
概述:
CX78GD048H是一款内置D-GaN的准谐振反激电源转换芯片,应用于36W内高性能、低待机功率、低成本、高效率的隔离型反激式开关电源。
CX78GD048H在空载或者轻载或重载时,芯片自动切换工作模式及频率由芯片内部调整,芯片轻载时工作在绿色模式,以此来减小轻载时的损耗,提高整机的工作效率。
CX78GD048H启动和工作时只需要很小的电流,可以在启动电路中使用大阻值的电阻,来减小待机时的功耗。芯片内置有斜坡补偿电路,当电路工作于大占空比时,避免次谐波振荡的发生,改善系统的稳定性。内置有前沿消隐时(Leading-edge blanking time),消除缓冲网络中的二极管反向恢复电流对电路的影响。采用了抖频技术,能够有效改善系统的EMI性能。系统的跳频频率设置在音频(22KHz)以上,在工作时可以避免系统产生噪音。
CX78GD048H内置多种保护,包括逐周期限流保护(VCS_LIM),VDD过压保护(OVP),VDD 过压箝位,欠压保护(UVLO),过温保护(OTP),输入输出过欠压保护,外部NTC 等,通过内部的软驱动结构更好的改善系统的 EMI 特性。
特点:
● 内置D-GaN功率管
● 全电压范围输入时待机功耗小于75mW
● 全范围工作在准谐振模式
● 宽VDD供电:VDD=6.5V-78.5V
● 内置软启动用来减少功率管上Vds的应力
● 抖频功能,改善EMI性能
● 跳频模式,改善轻载效率,减小待机功耗
● 输入输出过欠压保护
● 内置同步斜坡补偿
● 低启动电流,低工作电流
● 内置前沿消隐(LEB)功能
● 内置功率限制以及电流限制(LPS)功能
● 内置CS短路保护功能(CSSP)
● 逐周期限流保护(VCS_LIM)
● VDD电压箝位(VDD_CLAMP),VDD过压保护( VDD_OVP),欠压保护(UVLO)
● 副边输出二极管短路保护(SSSP)
● 过温保护(OTP)
● HSOP-7封装
应用范围:
QC,PD快充
PDA、数码相机、摄像机、电源适配器
机顶盒电源
开放框架式开关电源
个人电脑辅助电源

