
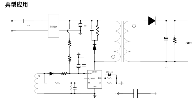
概述:
CX72GDXXXX系列是一款内置高压功率GaN管的高性能准谐振式高精度恒压和恒流输出性能的原边电源芯片,该芯片以精简的外围电路、较低的系统成本,可实现高性能交直流转换开关电源的设计。
CX72GDXXXX系列提供了极为全面和性能优异的智能化保护功能,包括逐周期过流保护、软启动芯片过温保护、输出过压保护功能、VDD欠压锁定保护功能、VDD过压锁定保护功能。
CX72GDXXXX系列提供精确的恒压,恒流(CV/CC)输出,无需光耦和二次侧控制电路以及环路补偿电路,同时保持良好的稳定性,具有良好的输出电压调节能力和较高的平均效率,以及小于75mW的待机功耗。
CX72GDXXXX系列内置输出线损补偿功能,线损补偿可通过调节Fb分压电阻阻值来调节。芯片独特的PWM/PFM工作模式使得音频能量最小化,全负载内无音频噪声。CX72GDXXXX系列产品为超待机功耗的高性价比反激式开关电源系统提供了一个很好的设计平台,满足六级能效Level6和欧洲节能准Eur2.0的应用。

特点:
内置高压D-GAN功率开关管
高效率准谐振工作模式多模式原边控制方式
使用原边反馈控制,可省去光耦与TL431
优化的动态响应
待机功耗<75mW
±5%恒流、恒压精度
可调式线损补偿
内置线路电压和初级绕组电感补偿
内置自适应电流峰值调节
输出短路负载保护
工作无异音
内置前沿消隐(LEB)功能
逐周期限流保护(OCP)
输出二级管短路保护
欠压保护(UVLO)、过压保护(OVP)、VDD电压箝位保护
应用:
充电器
PDA、数码相机、摄像机、电源适配器、机顶盒电源
开放框架式开关电源
个人电脑辅助电源


